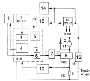
Đầu tiên là về sơ đồ khối của xe đạp điện giúp các bạn hình dung một phần thành phần cấu thành của xe đạp điện
1 : Tay điều khiển dùng cảm biến Hall
2: Khóa thắng KEY 2
3: Khối thắng ngắt điện
4: Nguồn ổn áp + 5V
5: Mạch tạo dạng sóng răng cưa
6: Xung điều biến độ rộng
7: Tầng thúc đảo pha với Q1
8: Tầng công suất với Q2
9: Điện trở lấy tín hiệu hồi tiếp
10: Mạch hồi tiếp
11: Motor DC loại chổi than
12: Diot dập biên điện áp nghịch
13: Mạch ổn áp dùng transistro Q3
14: Mạch hiển thị với các Led
Nguyên lý hoạt động của mạch điện:
(Mời các bạn xem chi tiết trong tài liệu đi kèm)
- Tên file:
- Mạch điện trong xe đạp điện
- Phiên bản:
- N/A
- Tác giả:
- N/A
- Website hỗ trợ:
- N/A
- Thuộc chủ đề:
- Danh Mục » Ngành cơ điện tử » Vi điều khiển
- Gửi lên:
- 26/05/2014 19:18
- Cập nhật:
- 22/05/2016 09:06
- Người gửi:
- haihoang_boy
- Thông tin bản quyền:
- N/A
- Dung lượng:
- N/A
- Đã xem:
- 3012
- Đã tải về:
-
13
- Đã thảo luận:
- 0
Tài Liệu Mới Nhất
- Hệ Thống Máy Và Thiết Bị Lạnh - Pgs.Ts.Đinh Văn Thuận & Võ Chí Chính, 456 Trang
07.10.2016 09:10 - Giáo trình cảm biến công nghiệp - ĐHBK Đà Nẵng
27.09.2016 09:01 - Download phần mềm triển khai hình gò
26.08.2016 12:09 - Download Autocad 2017 Full Key Crack + Keygen + Hướng dẫn cài đặt
25.08.2016 09:50 - [Tài liệu] Vibration chart: Bảng tra các đồ thị rung động dạng phổ
20.08.2016 08:53 - [Tài liệu] Tìm hiểu đồ gá trên máy CNC - ĐHGTVT
18.08.2016 08:40 - [Tài liệu] Tổng quan về máy CNC và lập trình CNC cho máy phay, máy tiện
18.08.2016 08:25 - Giáo trình Maintenance Engineering Handbook
16.08.2016 08:43 - Strategic Six Sigma - Best Practices from the Executive Suite
15.08.2016 04:54 - Handbook On Green Productivity
15.08.2016 04:49
































